© semineebacau.ro

Open panel

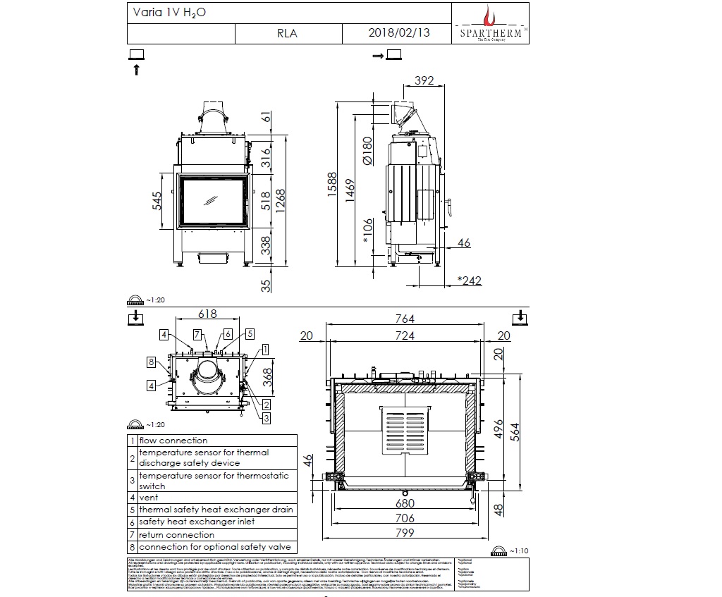
Termosemineu Varia 1V H2O

Inapoi la pagina anterioara

Produse Similare